ブランド:S~V

検索結果 14977

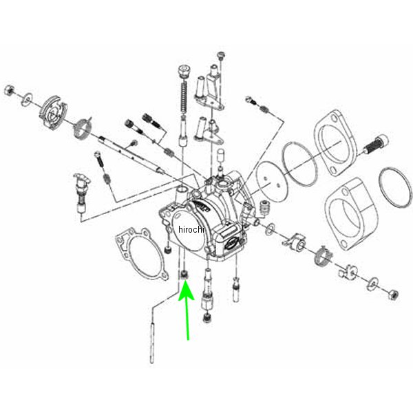
  1. 499029   フラットワッシャー (10個入り)
    メーカー在庫 在庫数:1
  2. 499028   スロットル シャフト ナット (5個入り)
    メーカー在庫 在庫数:1
  3. 499143   シリコン Oリング (10個入り)
    メーカー在庫 在庫数:4

検索結果 14977